特种场景照明光源
高亮频闪灯系列
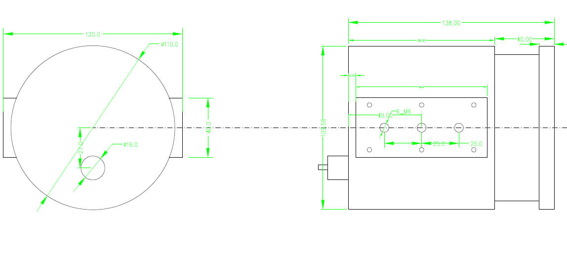
MQ-FL3025
Product description 产品描述
为满足高速运动物体的字符识别,我公司设计了LED数字脉冲闪光灯,该产品充分发挥LED的技术优势,具有响应速度快、使用寿命长等优点。产品设计体积小,便于安装,使用灵活方便,适用于抓拍距离在1-5米以内场所。光源的发光波长可以根据客户要求进行定制。
主要特性
  • · 精密的灯壳设计: 防水等级为IP67
  • · 优良的电路设计可以做到很好的抗震效果
  • · 光衰小:良好的散热设计,大大提高LED光源寿命,提高光源的工作效率,降低LED的光衰
  • · 响应快:采用沿触发方式,响应时间在1微秒以内
  • · 使用灵活:使用TTL/开光信号等多种触发方式
  • · 光效高:采用精细的光学设计,大大提高光学效率
  • · 光斑均匀:特殊的光学设计,光斑均匀
  • · 适用广泛:可与市场上各种高清相机匹配
  • · 支持连续抓拍功能,不受回电时间影响
  • · 亮度可以通过软件精确控制
  • · 适于高速抓拍
应用领域
  • · 机车上接触网检测
  • · 列车出入库管理系统字符识别
  • · 列车号识别
  • · 缺陷检测等
技术指标Technical indicators

型号

MQ-FL3025

供电方式

DC24V

信号触发方式

TTL/光耦

灯体外形尺寸

150mm x110mm

LED

400W集成芯片

色温

5500K~6500K

光源的角度

(可以精准调节光斑大小)

工作温度

-35 ~70

使用寿命

>50000小时

灯体与灯罩材料

铝合金与钢化玻璃

重量

1.8KG

防护等级

IP67


安装尺寸图Installation dimension drawing

未标题-2.jpg